| 索引号: |
11340102743096656P-202508-00005 |
信息分类: |
事故通报 |
| 发布机构: |
瑶海区应急管理局 |
生成日期: |
2025-08-05 |
| 文 号: |
,, |
有效性: |
有效 |
| 生效时间: |
有效 |
废止时间: |
暂无 |
| 名 称: |
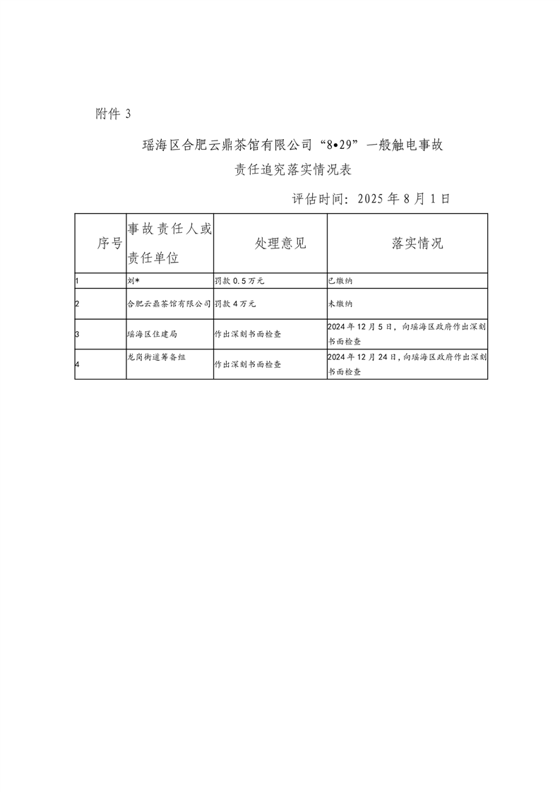
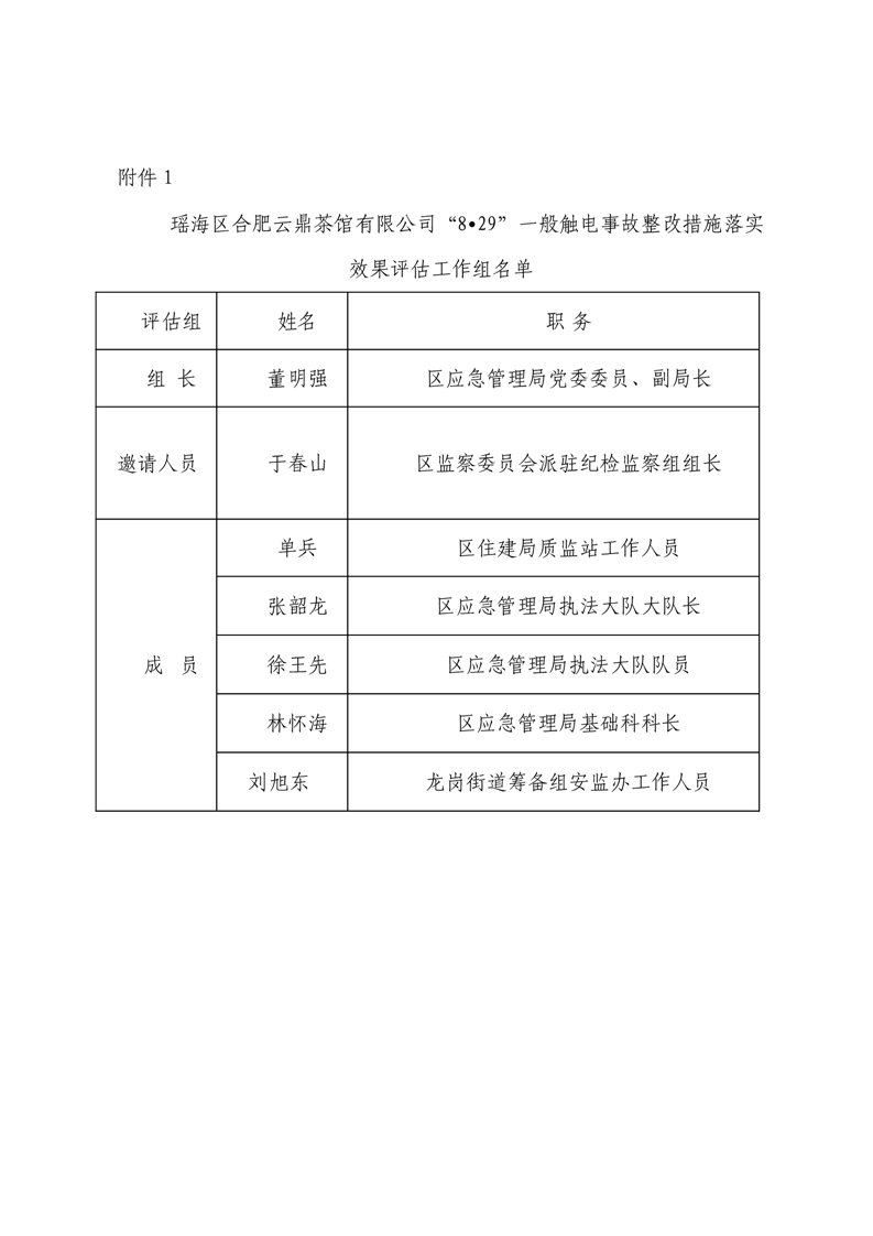
【评估报告】瑶海区合肥云鼎茶馆有限公司“8•29”一般触 电事故整改措施落实效果评估报告
|
失效时间: |
暂无 |
| 关键词: |
|
| 索引号: |
11340102743096656P-202508-00005 |
| 信息分类: |
事故通报 |
| 发布机构: |
瑶海区应急管理局 |
| 生成日期: |
2025-08-05 |
| 名 称: |
【评估报告】瑶海区合肥云鼎茶馆有限公司“8•29”一般触 电事故整改措施落实效果评估报告
|
| 失效时间: |
暂无 |
| 有效性: |
有效 |
| 生效时间: |
有效 |
| 废止时间: |
暂无 |
| 文 号: |
,, |
| 关键词: |
|
【评估报告】瑶海区合肥云鼎茶馆有限公司“8•29”一般触 电事故整改措施落实效果评估报告
发布时间: 2025-08-05 11:14 信息来源: 瑶海区应急管理局